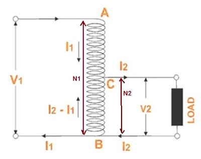
A Transformer, in which a part of the winding is common to both the Primary and Secondary circuit is called an Auto Transformer. It shall be noted that in Two Winding Transformer, Primary and Secondary windings are electrically isolated but in Auto Transformer, the two windings are not electrically isolated.A simplified diagram of a Step-down Auto Transformer is shown in figure below.
As shown in the figure above, N1 and N2 are the number of turns between winding AB and AC respectively. If a voltage V1is applied across AB, an exciting current will start flowing through the full winding. Therefore, voltage per turn in winding AB is V1/N1and hence voltage across CB is (V1/N1)N2.
As the load current is I2and the current taken from the source is I1, neglecting losses
Input Power = Output Power
V1I1CosØ1= V2I2CosØ2 ………………….(1)
Assuming internal impedance drop and losses to be negligible, power factor for primary and secondary will be almost same.
CosØ1 = CosØ2
Therefore from equation (1),
V1I1 = V2I2
So,
V2 / V1= I1 / I2 = N2 / N1 =k(say)
In our case of Step down Auto Transformer, k<1.
Again, since the direction of flow of load current is in the opposite to the current flowing in the Primary because of Lenze’s Law, hence the current flowing in winding BC = (I2-I1)
ICB = (I2 – I1)
Now the primary MMF = IACx(N1-N2)
= I1x(N1– N2)
= N1I1– N2I1
But N1 / N2= I2 / I1
So, N1I1= N2I2
Therefore,
Now the primary MMF = N2I2– N2I1
= (I2– I1)xN2
= ICBxN2 = Secondary MMF
Thus we see that in Auto Transformer, Transformer action take place between winding AC and BC. Thus VA of winding AC will be transferred to winding BC by Transformer action.
Therefore,
Transformed VA = VABxIAB
= (V1-V2)xI1 ………………………(2)
Now, total VA input = V1xI1
Therefore,
Transformed VA / Input VA = [(V1-V2)xI1] / V1I1
= 1 – V2/V1
= 1-k
Thus we see that out of total input VA, only a part of it is transformed by Transformer action and remaining is therefore transferred by conduction.
So,
Conducted VA = Total Input – Transformed VA
= V1I1 – (V1-V2)xI1 …………………From equation (1)
= V2I1
So,
Conducted VA / Input VA = V2I1/ V1I1
= V2/V1= k
Thus in an Auto Transformer, a part of input power is delivered to the load by Transformer action while the remaining is by conduction method. Power transfer because of conduction method is possible in Auto Transformer because a part of winding is common to both the primary as well as secondary circuit.

Guess You wrote by mistake the “Transformed VA = VabxIab” before the equation (2). It should instead be “Transformed VA= Vac X Iac. Pls cehck.
Thanks.