To have a clear understanding of why do we use low frequency i.e. 50 / 60 Hz for Electrical Power Transmission, we will first consider some points.
GENERATION:
Power is generated from Synchronous machines i.e. Alternators which rotate at a particular speed called the synchronous speed given by
Ns= 120f /P
and the frequency is given by
f= P×N /120
Now to produce voltage at a high frequency, two things have to be increased:
- Number of poles in machine
- Speed of machine
But these two factors contradict each other. Suppose for example we have a hypothetical machine of 50 poles, we cannot rotate it at higher speeds because of high centrifugal force , vibrational force and mechanical strength.
Since the number of poles in Alternator have increased (compared to two pole High speed Turbogenerators rotating at 3000/3600 RPM at 50/60 Hz respectively), the diameter of the machine will increase which will make the size of machine large.
Now that to produce power at High frequency, we would have to rotate the machine at high speeds which would require higher steam input for same amount of power at a higher frequency.
Higher input to alternator will deteriorate it mechanically. To paraphrase a high frequency alternator needs to be mechanically robust and thus will require a larger size and more material in construction.
TRANSMISSION:
Coming to Transmission of power at high frequency, We need to realize the model of transmission line first to understand.
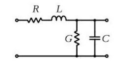
A transmission line physically is a R, L, C, G circuit with R and L being series parameters. R being frequency independent to be more specific. While C and G are shunt parameters of line, G being frequency independent.
If the voltage at high frequency is used to transmit power
- Drop across inductor will increase as V = I×X =I×2πfL where f being the frequency.
- A higher voltage drop will cause the line voltage to sag. Hence the coveted flat voltage profile will not be obtained.
- The voltage will decrease with increase in length and it will be less most at the receiving end where it is needed the most.
- Corona loss is directly proportional to frequency; hence the losses due to corona will increase. This will cause more interference with communication / telephone lines.
- High losses in transmission wires due to skin effect.
- Because of skin effect, the cost of conductor material will increase as the conductor is not utilized fully at high frequencies.
- Economy of transmission is a major point while designing transmission lines. Increasing the cost of conductor will make the system uneconomical.
- Since the resistance due to skin effect increases (assuming Rac=1.6Rdc), line losses I2R will increase and hence the power transmission capability will decrease.
- FACTS (Flexible AC Transmission System) devices or compensators will be required for reactive power demand / supply making the system even more costly.
DISTRIBUTION & UTILIZATION:
Even in distribution, the high frequency AC will not be that efficient as described below.
- We use a lot of power electronic devices. A high frequency will cause large switching losses.
- Harmonics of higher frequencies being fed back to grid , filter requirements might be there.
- Poor voltage regulation.
- Possibility of thermal noise / shot noise /white noise (high frequency) interference with home appliances.


But why don’t we go for a lower frequency i.e. below 50Hz?
Lowering the frequency Increases the size of transformer and other working equipment significantly.