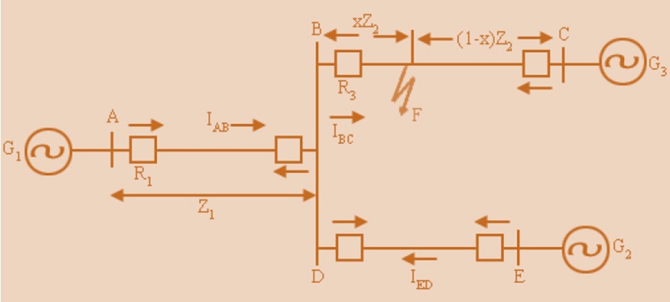
We will discuss here the Outfeed and Infeed Effect and its implication on Distance protection. Consider the operation of distance relay R1 for a fault F close to remote bus on line BC as shown in the figure below.
Therefore fault current will be feed by Source G1, G2 and G3. Therefore,
IBF= IAB + IED
So Voltage seen by distance Relay R1,
V = (Line Impedance of AB)×IAB+ (Line Impedance till Fault location on BC) ×IBF
= Z1×IAB + XZ2IBF
= Z1IAB+XZ2(IAB+IED)
= Z1IAB+XZ2IAB+XZ2IED
= (Z1+ XZ2) IAB+ XZ2IED
So Impedance measured by Distance Relay R1,
V/IAB = (Z1+XZ2) + XZ2IED/IAB
Thus it is clear from above equation that Relay R1 do not measure the Impedance up to fault location F i.e. (Z1+XZ2) rather it overestimates the Impedance i.e. higher than the actual Impedance. If there is an equivalent generator source at bus E, then it feeds the fault current as IAB and IED are approximately in phase. This is known as infeed effect. From the above equation it is clear that infeed causes an equivalent increase in apparent impedance seen by the relay R1.
From the Relay’s perspective, the fault is pushed beyond its actual location. Thus, a fault in Zone-2 may be pushed into Zone-3, thereby compromising selectivity of Zone-2. But, infeed effect does not compromise selectivity of Zone-1 as the fault current will only be IAB in that case.
If there is an equivalent load at bus E, then IAB and IEB will be in phase opposition.
IBF= IAB – IED
So Voltage seen by distance Relay R1,
V = (Line Impedance of AB)×IAB+ (Line Impedance till Fault location on BC) ×IBF
= Z1×IAB + XZ2IBF
= Z1IAB+XZ2(IAB-IED)
= Z1IAB+XZ2IAB – XZ2IED
= (Z1+ XZ2) IAB– XZ2IED
So Impedance measured by Distance Relay R1,
V/IAB = (Z1+XZ2) – XZ2IED/IAB
Thus it is clear from above equation that Relay R1 do not measure the Impedance up to fault location F2 i.e. (Z1+XZ2) rather it underestimates the Impedance i.e. lower than the actual Impedance. This is called Outfeed Effect.
In other words, the relay R1 perceives fault to be at a point closer than its actual location. If this perceived point falls well in the section AB, the relay R1 will operate instantaneously for a fault on the back up line, thereby compromising selectivity. Hence, instantaneous primary protection Zone-1of distance relay is always set below 100% line impedance. Typically, Zone-1 is set to cover 0.8 to 0.9 times the primary line length. In other words, we expect errors in measurements of fault impedance to be within 10-20% accuracy. The remaining portion of the primary line is provided with a time delayed protection known as Zone-2.
