As discussed in my earlier post on Distance Protection Philosophy, Zone-1 setting is kept at 80% of the total impedance of the Protected Line. So question will come in your smart brain that why 80% even though Zone-1 is meant for primary protection?
Zone-1 is meant for protection of the primary line. Typically, it is set to cover 80% of the line length. Zone-1 provides fastest protection because there is no intentional time delay associated with it. Operating time of Zone-1 can be of the order of 1 cycle.
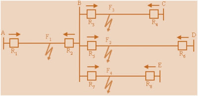
Zone 1 does not cover the entire length of the primary line because it is difficult to distinguish between faults which are close to bus B like fault at F1, F2, F3 and F4. In other words, if a fault is close to bus, one cannot ascertain if it is on the primary line, bus or on back up line. This is because of the following reasons:
- CTs and PTs have limited accuracy. During fault, a CT may partially or complete saturate. The resulting errors in measurement of impedance seen by relay, makes it difficult to determine fault location at the boundary of lines very accurately.
- There are infeed and outfeed effects associated with working of distance relays.
- A distance relay scheme uses only local voltage and current measurements for a bus and transmission line. Hence, it cannot model infeed or outfeed properly. Because of infeed and outfeed effect the, the Relay may sense fault in 100% length of line even though the location of fault is actually not in 100% of line. Therefore a margin of 20% is given for the accuracy of measurement and infeed / outfeed effect.
Next, Question which will definitely strike you that why do we keep the setting of Zone-2 150%? Why not more than 150%?
Zone-2 setting in Distance Relay is kept at 150 % to avoid Overlap Problem. See the picture below.
As clear from the picture above, if the reach of Zone-2 of a relay R1 is extended too much, then it can overlap with the Zone-2 of the relay R3. Under such a situation, there exists following conflict. If the fault is on line BC (and in Z2 of R3), relay R3 should get the first opportunity to clear the fault. Unfortunately, now both R1 and R3 compete to clear the fault. This means that Z2 of the relay R1 has to be further slowed down. As Zone-2 protection already have a time delay, due to overlapping we need to further introduce some time delay which will degrade the performance of Relay for Zone-2.
Hence, a conscious effort is made to avoid overlaps of Z2 of relay R1 and R3. Setting Zone-2 of R1 to maximum of 150% of primary line impedance or primary line impedance plus 50% of smallest line impedance usually works out good compromise without getting into Z2 overlap problem.
Thank you!


Thanks a lot…. Very informative and helpful.
Sir, thanks a lot. One question has asked from the same concept in gate 2002 ee paper.
Thank you Pramod!
What is infeed and outfeed effect? Kindly explain it. Thanks
Kindly read infeed and outfeed effect. It is already posted.