To better understand the working principle and need of Petersen Coil, let us have a look at the arcing ground phenomenon. We know that arcing ground phenomenon is observed in ungrounded 3 phase system. During arcing ground the voltage of healthy phase rises from phase voltage to line voltage i.e. it becomes √3Vph. Also, arcing in such phenomena is due to heavy capacitive charging current which is 3IC where IC = Vph / XC. Thus if there were any way to reduce this charging current then arcing ground phenomena could have been eliminated. Isn’t it?
Well, you will say that we can connect a resistor in ground of system to minimize the capacitive charging current. Then why do we connect inductor in ground?
Why Inductor is used to eliminate Arcing Ground?
To answer this question, let us consider a single line to ground fault and its phasor diagram for an ungrounded system as shown below.
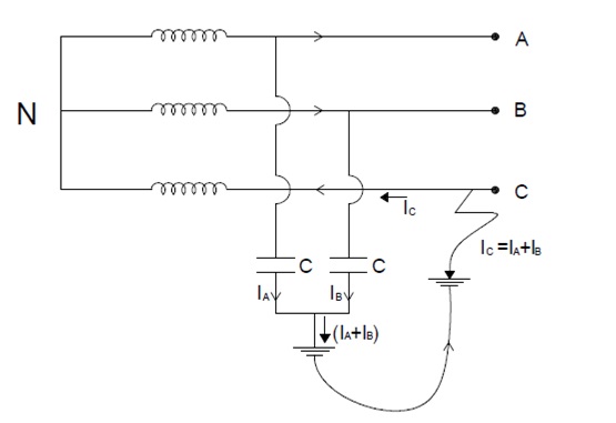
From the phasor diagram it is can be easily observed that, the voltage of neutral point shifts from ground potential to phase voltage Vph but in opposite direction. This is the reason the direction of VC is reverse in figure above and shown by V’C. The fault current IC (IC = IA+IB) is perpendicular to the V’C. Thus if we want to eliminate the fault current then we must connect an element which will take current in a direction opposite to IC. Carefully observe that IC is leading V’C by 90°.
Now as we are connecting an element in between the neutral point N and ground, therefore the voltage drop across that element will be V’C. Thus that element must take current equal to IC and shall lag from V’C by 90°. As inductor takes lagging current, therefore an inductor is connected in between neutral and ground to eliminate arcing ground.
What is Petersen Coil?
Petersen Coil is nothing but an inductor used to connect ground of three phase system to the earth. In other words, the neutral of three phase system is grounded through Peterson Coil. Basically, such grounding is adopted to minimize the capacitive charging current during fault in the lines. This also eliminates the arcing ground. The inductor connected in figure above is Petersen Coil. This type of grounding is also known as Resonant Grounding.
How does Petersen Coil Work?
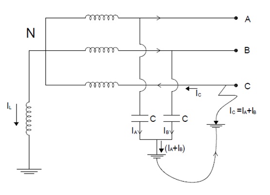
As discussed earlier in this post, Petersen Coil must take current equal to the fault current IC so that it neutralizes the fault current. This is the reason, it is also known as fault neutralizer.
Let us consider the figure shown above.
The current through the Petersen Coil IL = Vph / ωL
But the fault current IC = 3Vph / XC (how? Please read Arcing Ground)
Therefore to neutralize the fault current,
IL = IC
Hence,
Vph / ωL = 3Vph / XC
⇒1/ωL = 3ωC
⇒L = 1/3ω2C
Thus to neutralize the capacitive charging current, the value of inductance of Petersen coil shall be 1/3ω2C.
Advantages of Resonant Grounding
- The use of Petersen coil reduces the line interruption due to transient line to ground fault. This is otherwise not possible with other kind of grounding.
- The tendency of developing three phase fault from single phase fault is reduces with the use of resonant grounding.



A 250V,50HZ,300KM transmission line has a capacitance to earth of 0.03microfarad per km per phase. The rating of the peterson coil for neutral grounding of the system is.
How to solve this question?????
The concept is to nutralize the earh capacitance using peterson coil. Kindly refer the calculation part of the article.